X为了获得更好的用户体验,请使用火狐、谷歌、360浏览器极速模式或IE8及以上版本的浏览器
关于我们 | 帮助中心
欢迎来到天长市科技大市场,请 登录 | 注册
尊敬的 , 欢迎光临!  [会员中心]  [退出登录]
成果 专家 院校 需求
当前位置: 首页 >  科技成果  > 详细页

[00013531]一种涡卷混沌信号发生器及其使用方法

交易价格: 面议

所属行业: 电子元器件

类型: 非专利

技术成熟度: 正在研发

交易方式: 完全转让

联系人: 房先生

进入空间

所在地: 广东广州市

服务承诺
产权明晰
资料保密
对所交付的所有资料进行保密
如实描述

技术详细介绍

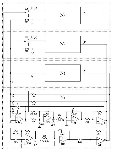
技术投资分析: 成果简介 本发明涉及混沌保密通信中所需的混沌电路。本发明公开的一种涡卷混沌信号发生器及其使用方法,包括基本混沌信号产生电路、产生x方向的饱和函数序列发生器、产生y方向饱和函数序列发生器、产生z方向饱和函数序列发生器、转换开关组。 其方法: 开关K1、K3 断开,开关K2、K4接地时,混沌信号发生器产生单方向分布多涡卷混沌信号,用开关K5、K6控制单方向分布涡卷的数量;当开关K1、K2接通、开关K3断开、开关K4接地时,混沌信号发生器产生二方向分布平面网格状多涡卷混沌信号,用开关K5、K6控制单方向分布涡卷的数量;当开关K1、K2、K3、K4均接通时,混沌信号发生器产生三方向分布立体网格状多涡卷混沌信号,用开关K5、K6控制单方向分布涡卷的数量。 知识产权或应用情况 中国发明专利申请号:200510086603.9;中国专利网上公开号:CN1747377 相关电路图:(详见附图) 技术的应用领域前景分析: 成果适用范围及市场预测: 涉及保密通信中所需的混沌电路,用于多功能混沌信号产生器的研制。 效益分析: 本技术市场应用范围广,成本低,效益十分可观。 厂房条件建议: 无 备注: 无

推荐服务:

Copyright  ©  2019    天长市科技大市场    版权所有

地址:滁州高新区经三路

皖ICP备2023004467