X为了获得更好的用户体验,请使用火狐、谷歌、360浏览器极速模式或IE8及以上版本的浏览器
关于我们 | 帮助中心
欢迎来到天长市科技大市场,请 登录 | 注册
尊敬的 , 欢迎光临!  [会员中心]  [退出登录]
成果 专家 院校 需求
当前位置: 首页 >  科技成果  > 详细页

[00013532]一种四阶网格状多环面混沌电路及其使用方法

交易价格: 面议

所属行业: 电子元器件

类型: 发明专利

技术成熟度: 正在研发

专利所属地:中国

专利号:200510086638.2

交易方式: 完全转让

联系人: 房先生

进入空间

所在地: 广东广州市

服务承诺
产权明晰
资料保密
对所交付的所有资料进行保密
如实描述

技术详细介绍

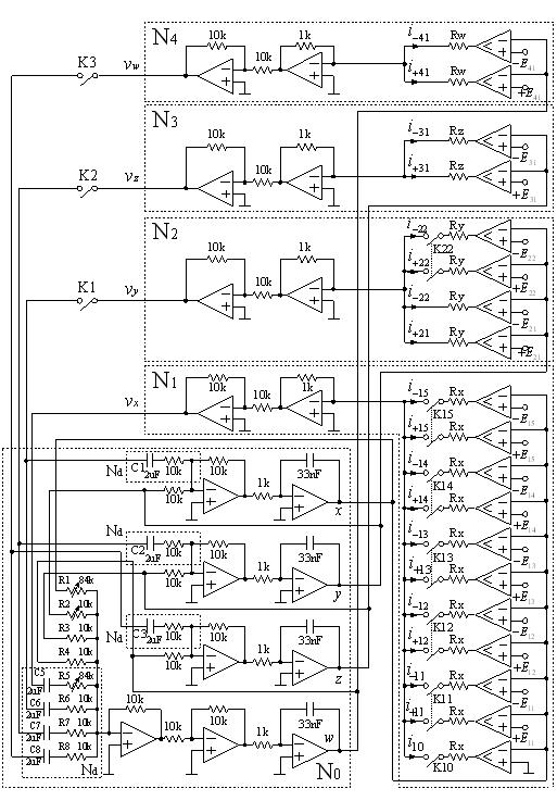
技术投资分析: 成果简介 本发明涉及保密通信中所需混沌电路。本发明的一种四阶网格状多环面混沌电路及其使用方法,包括基本四阶网格状多环面混沌产生电路、x方向阶梯波序列产生电路、y方向阶梯波序列产生电路、z 方向阶梯波序列产生电路、w方向阶梯波序列产生电路、转换开关组;方法:K1、K2、K3断开时,产生单方向分布多环面混沌吸引子,通过K10-K15切换,控制环面的数量;K1接通、K2和K3断开时,产生两方向分布平面网格状多环面混沌吸引子,通过K10-K15、K22切换,控制多环面混沌吸引子的数量;K1、K2、K3接通时,产生四方向分布四维网格状多环面混沌吸引子,通过K10-K15、K22切换,控制多环面混沌吸引子的数量。 知识产权或应用情况 中国发明专利申请号:200510086638.2;中国专利网上公开号:CN1744487 相关电路图:(详见附图) 技术的应用领域前景分析: 成果适用范围及市场预测: 涉及保密通信中所需的混沌电路,用于多功能混沌信号产生器的研制。 效益分析: 本技术市场应用范围广,成本低,利润高,效益可观。 厂房条件建议: 无 备注: 无

推荐服务:

Copyright  ©  2019    天长市科技大市场    版权所有

地址:滁州高新区经三路

皖ICP备2023004467