X为了获得更好的用户体验,请使用火狐、谷歌、360浏览器极速模式或IE8及以上版本的浏览器
关于我们 | 帮助中心
欢迎来到天长市科技大市场,请 登录 | 注册
尊敬的 , 欢迎光临!  [会员中心]  [退出登录]
成果 专家 院校 需求
当前位置: 首页 >  科技成果  > 详细页

[00018879]一种机器人足部结构

交易价格: 5 万元

所属行业: 其他电气自动化

类型: 实用新型专利

技术成熟度: 正在研发

专利所属地:中国

专利号:ZL201320895886.1

交易方式: 5年独占许可转让

联系人: 周庆礼

进入空间

所在地: 天津天津市

服务承诺
产权明晰
资料保密
对所交付的所有资料进行保密
如实描述

技术详细介绍

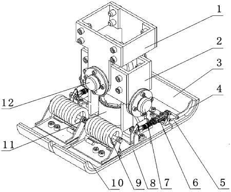
本实用新型涉及一种机器人足部结构,包括脚掌、跖趾关节、脚跟和踝关节组件,脚掌前端安装跖趾关节,脚掌后端 安装脚跟,脚掌中部上端安装踝关节组件,所述脚掌中部上端固装有踝关节组件;所述脚掌的纵向前端对称铰装有两个跖趾关节,该跖趾关节前端制有向上翘起的弧 形结构,跖趾关节与脚掌之间分别通过扭簧支架安装有一扭簧;所述脚掌的纵向后端同轴铰装有脚跟,该脚跟后端制有向上翘起的弧形结构,脚跟上端两侧均对称固 装有一对加强筋,脚跟两侧与脚掌之间均安装有一减震器。本实用新型利用扭簧的压缩和伸展功能实现脚趾关节的屈伸自由度,减震效果好,运行平稳可靠,可以与 现有大部分的机器人进行完美匹配,提升机器人行走平稳性。

推荐服务:

Copyright  ©  2019    天长市科技大市场    版权所有

地址:滁州高新区经三路

皖ICP备2023004467